Hot Phone:
0577-62210779
|
中文版
|
ENGLISH
Home
Product
3.5 socket series
6.35 phone socket
AV-S Terminals
DC Power Block
DIN plug series
DS Power Block
S-Video Series
Button Switch Series
MPC Mini power Terminal
About us
About us
Culture
Honor
News
Workshop
Workshop
Office
Testing Equipment
Service
Contact us
Feedback
Market
Contact
Location:
>
Hexinele
>
Product
>
S-Video Series
>
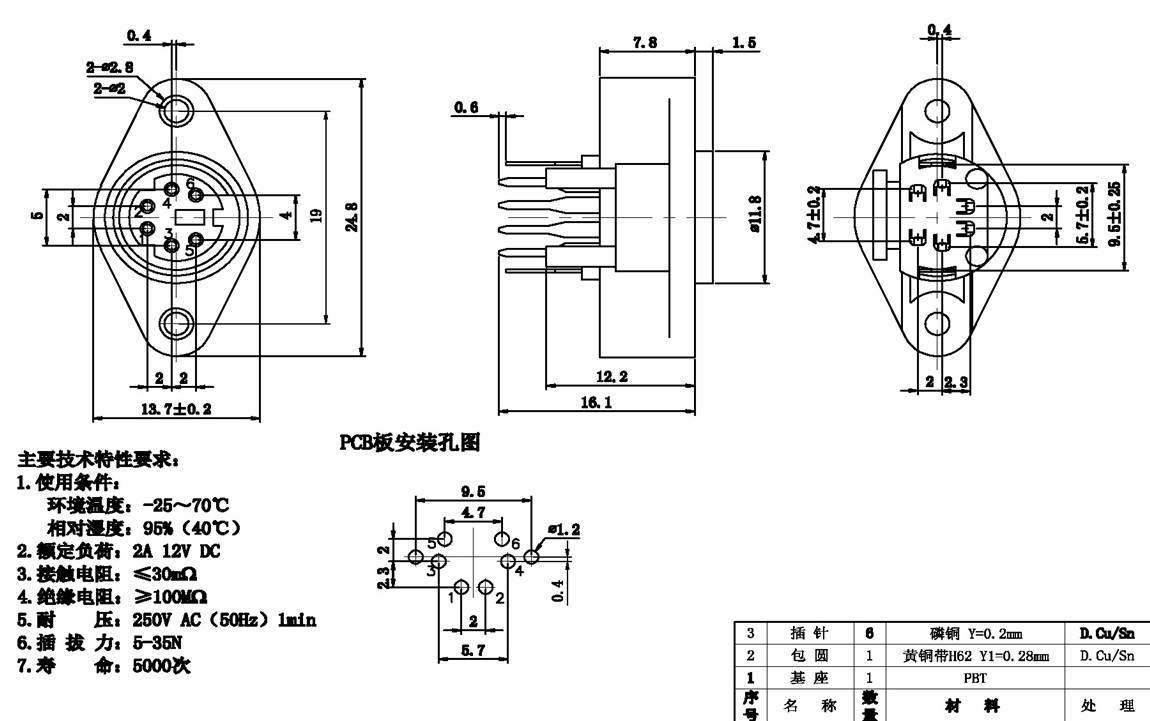
MDC-6-09A
Spec:
MDC-6-09A
Intor:
Contact us
0577-62210779
QQ
0
Product Detail